01/04/2026

Corrugated tubing, OD=18.0mm, grey, 10pcs.
Art.-No. 167-00500 | NH9-GY

Copied
This product is not available anymore.
  • Easily screwed into NH fitting, where they are held securely and protected against damage
  • Supplied with brass locknuts
  • PG measurements and IP54 rated according to DIN 40050
Application These fittings offer a secure connection for flexible conduits.
Colour Grey (GY)
Material Bracket Polypropylene (PP)
Material Fitting Polyethylene (PE)
PART DESCRIPTION NH9-GY
Package Content 10pcs.
Package Content packed in bag
Type NH9
⌀ (D2) 14.0mm
⌀ (D3) 9.1
⌀ (D4) 10.0
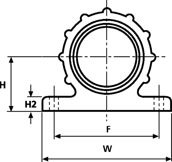
Fixing Hole Centres (F) 29mm
Height (H) 14.5mm
Height (H2) 6.0mm
Length (L) 12.0mm
Length (L2) 42.0mm
Length (L3) 20.4
Outside ⌀ (OD) 18.0mm
Thread Size PG9
Width (W) 40mm
for Hole ⌀ (FH) 5.7 mm
Flammability UL 94 HB
IP-Rating IP54
Operating Temperature -40 °C to +110 °C
ROHS compliant Yes
Specifications
Country of Origin DE
ETIM 7.0 Key EC001178
ETIM 8.0 Key EC001178
ETIM 9.0 Key EC001178
UNSPSC Key 39131601
Contact